 
    | Home | Mechatronics | About RMS | DMC Sub | Audio Design | Education | Kits & Parts | 
Two software packages are used for the modelling of the tube amplifier.
LTspice is a freeware version of the well known SPICE simulator and is modified and made available by the semiconductor company "Linear Technology Corporation". The software van be downloaded here.
MATLAB from "Mathworks" is, most unfortunately, a far from freeware program but it is a standard tool for mechatronic modelling and available at the university.
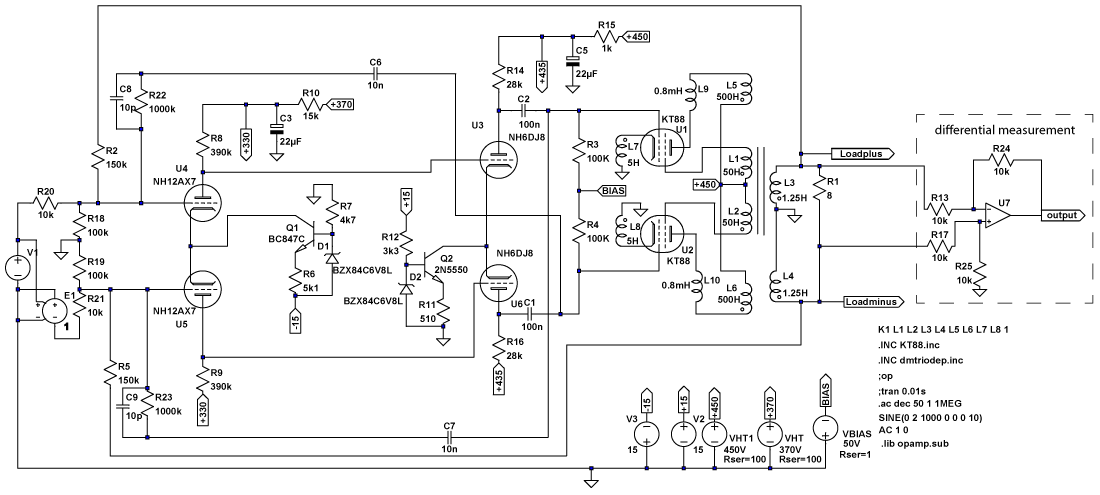
The circuit was analysed by means of an LTspice model as shown below. The complete model can be downloaded in a ZIP-file. This includes two .inc files that have to be copied to your C:\Program Files (x86)\LTC\LTspiceIV\sub directory or any other location where you installed your LTspice program. It should be noted that both a transient response and an AC analysis is used. Switching between the two is done by right clicking on the schematic, choosing "Edit simulation Cmd."->"transient" or "AC analysis". There also the parameters can be changed. Sometimes the transient modeling stops for unknown reasons after a small change. It migh help to change the simulation settings under "Simulate"->Control Panel->"SPICE". One can experiment with "solver", "integration method" etc.
The model does not include the Bias control and the differential driver voltage control but it does include the local feedback over the first two stages, the kathode feedback over the power stages and the global feedback. The purely global feedback version is not shown. The main difference is the larger open-loop gain at lower frequencies.

The resulting bodeplot shows an open-loop bandwidth from input to output (forward path) of about 17 kHz and a closed loop bandwidth from input to output of 45 kHz. The peak at 4 Hz in the open-loop gain plot is caused by the 10 nF capacitor in the local feedback loop over the gain and driver stage. This partly compensates the effect of the automatic bias circuit and the differential driver voltage controller.
The HF stability is excellent as the open-loop phase lag does not exceed -90o below 50 kHz.

With the help of MATLAB the LF feedback stability is checked including the bias control and the differential driver voltage control. The following figure gives a block diagram of the different feedback loops for one half of the symmetrical amplifier. The global feedback version with additional pole at 5 kHz as indicated in red and the local feedback version is shown in green. For the modelling the local feedback path is taken at the anode of the E88CC (solid arrows) instead of after the coupling capacitors (dashed arrows). This is allowable as the coupling capacitor impedance of 100 nF can be neglected in respect to the local feedback capacitor impedance of 10 nF.
In this case the modelling of the global feedback version is more interesting as it shows clearly the effect on stability by the four zeros/poles in the loop: The coupling capacitors, the output transformer, the bias current control and the differential driver voltage control.

Feedback path (1) is the differential driver voltage controller with two 0.01× attenuators and an integrator with 1 sec time constant. Feedback path (2) is the local feedback path with the 15 Hz high-pass characteristic by the 10 nF capacitor. Feedback path (3) is the global feedback path. The bias control around the power tube is shown as a separate loop (5) with feedback path (4).
The noted values are both based on calculations and from the LTspice modelling results, which are verified in the working prototype. The factor 80 for the power transformer includes the fact that the output current combines the current from both power tubes, this means that the output current equals 20 times the current from one valve. Multiplied by 4 Ohms (half the total load because only half of the output signal is fed back to each input) this gives the factor 80. The factor 0.00275 is determined from LTSpice. The used MATLAB models can be downloaded here. It will show all transfer functions and can be used to experiment. The most interesting results are shown here with the Nyquist plots of the total feedback loop, indicating stability and the resulting stepresponse.


The Nyquist plot shows a total loop gain of almost 30 but more importantly, zooming in around the origin it is clear that the phase starts at more than +270o at a low gain due to the four zeros. At increasing frequency the phase decreases to 180o due to the poles at a gain of ≈0.5 and the gain rapidly rises with decreasing phase whereby the curve crosses the circles that indicate the resonance peak after closing the loop. In this case the 19dB circle is crossed which means that the resonance peak is 19 dB above the 0dB closed-loop level and this is best observed at the step-response, which is rather nervous.

Control experts know that stability is only guaranteed when the -1 point on the Nyquist plot of the open-loop frequency response function is passed at the left hand side with increasing frequency (arrow). The shown system is already critical from a stability point of view which is observable at the cone in response on a DC step on the input. Originally 330nF coupling capacitors were chosen to increase the LF bandwidth but this value resulted in a higher gain than -1 at 180o phase, hence passing the -1 point at the right hand side. As a result severe motorboating occurred as can be verified in the MATLAB models by replacing the values. The stability can be further increased by a smaller value of the coupling capacitor of a lower loop gain which is done with the local feedback version.
The graphs for the local feedback version are shown next.


It is immediately clear that this configuration of the amplifier is extremely well damped with no LF peaking in the closed-loop response. This of course is achieved at the expense of loop-gain Gol which is now just below 1.5 at higher frequencies. As mentioned in the signal path section this results in a reduction of the output impedance and the forward path gain of the amplifier with a factor 1/(1+Gol)=2.5.
One might conclude that this system could be made a bit better by inserting another gain element in the loop like another tube but the gain will be limited by high frequency stability as long as the loop-gain is not allowed to become frequency dependent in the audio band. A maximum of a factor three margin is available before oscillations will occur above 1 MHz.
The use of tubes limits the application of higher order compensation with multiple poles and zeros like for instance described in the Ncore Technology White Paper by Bruno Putzeys of Hypex. The article itself is of course the most extreme coumterpart that I could find for this low feedback tube amplifier and it would be interesting to compare the NCORE with this tube amplifier in blind listening tests. Might be that I'll do that some other time.